

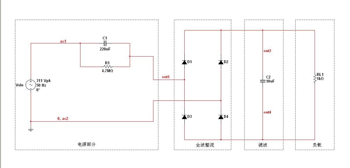
)在以上已經精辟的指出了此電路的基本特征:“阻容降壓 全橋整流”。呵呵





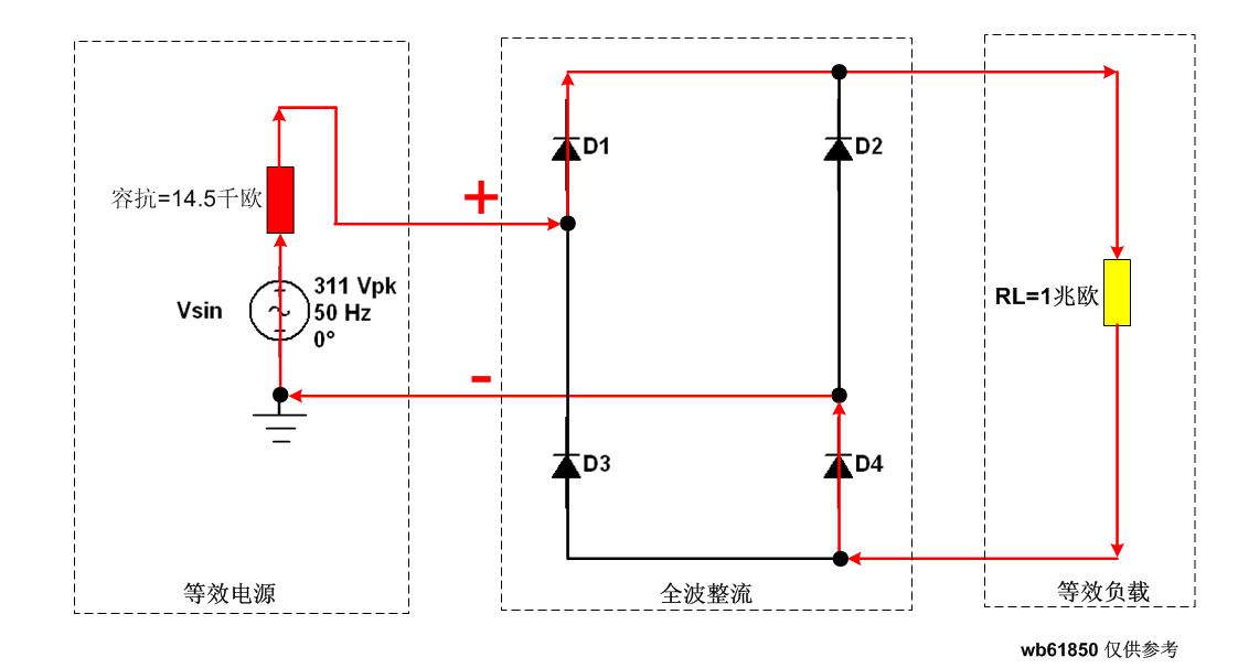
我們再來看看整流部分,假設負載開路(我們這里用一個1M歐姆的電阻來等效)。呵呵


























































































































| 歡迎光臨 電子工程網 (http://m.4huy16.com/) | Powered by Discuz! X3.4 |